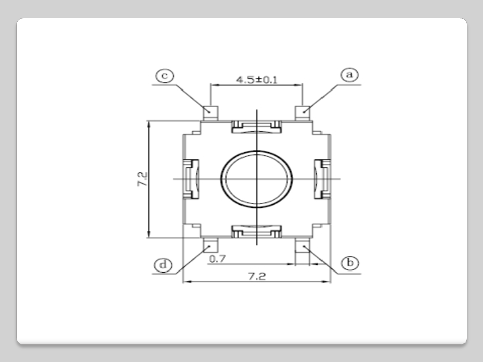
KSM7W Current Position:Home>product>switch/others>ksm7w