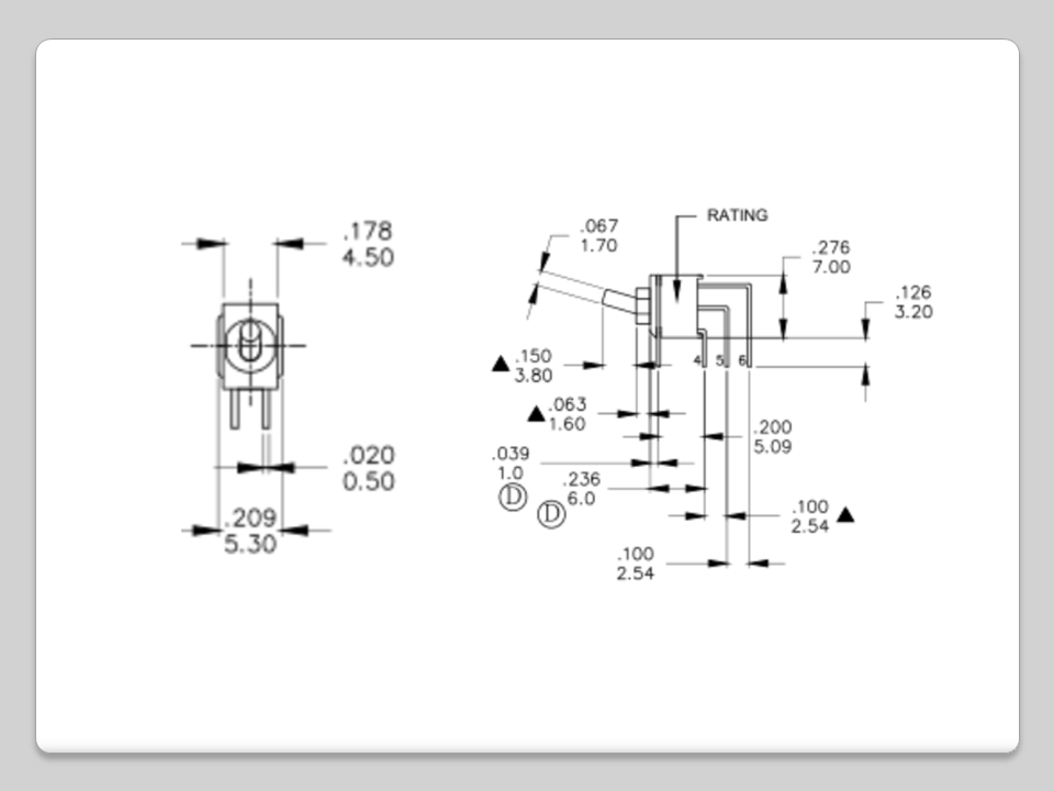
2US1T1A1M7RS Current Position:Home>product>switch/others>2us1t1a1m7rs