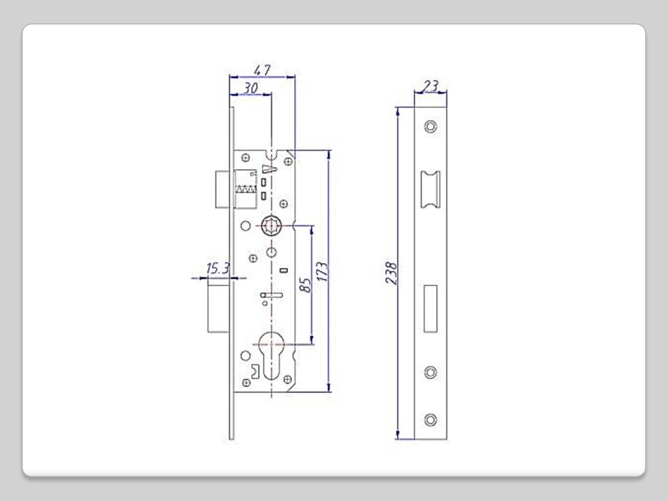
CARD LOCK Current Position:Home>materlals>card lock