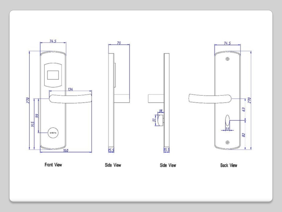
HOTEL SMART RF CARD DOOR LOCK Current Position:Home>materlals>hotel smart rf card door lock